- Profondeur (en cm) : 48
- Abattant frein de chute : Oui
- Abattant déclipsable : Oui
Grohe Pack WC Bâti autoportant + WC sans bride SAT + Abattant softclose + Plaque chrome mat (ProjectSATrimless-7)
Voir les détails du produitPlus d'information sur le produit vendu 399,90 EUR
Au lieu de 705 €
Vendu 399,90 €
-
En 4 jours ouvrés chez vous dès 9,90 €
Optez pour la qualité et la simplicité d’installation du Pack WC Bâti autoportant avec Cuvette Swiss Aqua Technologies sans bride + Plaque mat (ProjectSATrimless-7).
La qualité des articles de ce pack est reconnue et la modernité ainsi que le design de ceux-ci vous satisferont à coup sûr en vous apportant des solutions adaptées à vos projets.
--------
Caractéristiques du Pack WC Bâti autoportant + WC sans bride SAT + Abattant softclose + Plaque chrome mat (ProjectSATrimless-7) :
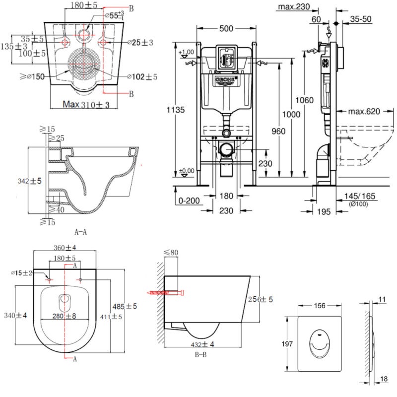
- Bati-support autoportant Grohe RAPID SL (39145000)
- Cuvette suspendue sans bride et fixations invisibles + abattant frein de chute (SATBRE010RREXP)
- Grohe Skate Air Plaque de commande WC mat chromé (38505P00)
.
Bâti-support RAPID SL Project autoportant, 1.13 M (39145000) :- Réservoir et mécanisme pneumatique Certifié NF
- Réservoir GD 2, 6-9 L
- Comprend les supports muraux 3855800M pour une installation murale
- Assemblage facile en connectant le capillaire pneumatique à la plaque de commande
- Réglage en hauteur rapide avec prédétermination automatique de la hauteur de montage souhaitée
- Fixation murale avec réglage rapide en profondeur; ajustement de profondeur par l'avant
- Support mural orientable sur 360 degrés pour éviter les joints
- Pieds avec points de fixation polyvalents et pratiques, pour montage sur rail, sur profil en U de 50 ou 75 mm
- Points de fixation pour accessoires ; montage des éléments sans ancrage au sol
- Points de fixation pour montage des éléments dans des supports muraux en bois
- Coude DN 80 avec réduction DN 80/100
- Fixation du coude de vidage sans outil
- Collier de vidage avec réglage de la profondeur à 2 niveaux
.
Cuvette suspendue sans bride et fixations invisibles + abattant frein de chute Swiss Aqua Technologies (SATBRE010RREXP) :- Marque : Swiss Aqua Technologies
- Matériau : Céramique
- WC compact adapté aux petits espaces
- Cuvette au style simple et épuré
- Cuvette sans bride
- Fixations cachées
- Profondeur de 48 cm
- Rinçage économique 3 / 4,5 L
- Abattant avec frein de chute
- Abattant déclipsable
- Facile d'entretien grâce au système sans bride et l'abattant amovible
- Installation rapide
.
Grohe Skate Air Plaque de commande WC mat chromé (38505P00) :- Plaque de commande WC
- Double touche ou interrompable
- Pour mécanisme pneumatique AV1
- Montage vertical
- 156 x 197 mm
- En ABS
- GROHE StarLight® brillance durable
- GROHE EcoJoy® économie d’eau
.
Attention ! Il est impératif de vérifier les produits à réception. Une éventuelle avarie doit être constatée devant le livreur et indiquée précisément pour chaque produit sur le bon de livraison. Aucune réclamation ne pourra être acceptée a posteriori, les transporteurs étant très stricts à ce sujet. Nous vous remercions pour votre compréhension.
| Largeur de la cuvette (en cm) | 36.5 |
|---|---|
| Profondeur (en cm) | 48 |
| Largeur du bâti (en cm) | 36.5 |
| Abattant frein de chute | Oui |
| Abattant déclipsable | Oui |
| Matière de la cuvette | Céramique |
| Hauteur de la cuvette (en cm) | 34.2 |
| Marque du produit | GROHE |
| Type de bâti support | Sol |
| Famille de couleur | Blanc |
Tous les produits vendus par Leroy Merlin et par les vendeurs bénéficient de la garantie légale de conformité de 2 ans à compter de leur délivrance.
Retrouvez les conditions et modalités de mise en œuvre des garanties (légales et commerciales) dans les fiches produits, les conditions générales de vente, en magasin ou sur la page de chaque vendeur pour les articles signalés "Vendu par ".
Comparer à des produits similaires
Votre articleAu lieu de 705 € Vendu 399,90 € |
Au lieu de 761 € Vendu 419,90 € |
Au lieu de 771 € Vendu 429,90 € |
Au lieu de 801 € Vendu 359,90 € |
Au lieu de 811 € Vendu 379,90 € |
|
|---|---|---|---|---|
|
Largeur de la cuvette (en cm)
|
||||
|
36.5
|
156
|
15.6
|
19.7
|
19.7
|
|
Profondeur (en cm)
|
||||
|
48
|
48
|
-
|
-
|
-
|
|
Largeur du bâti (en cm)
|
||||
|
36.5
|
156
|
15.6
|
19.7
|
19.7
|
|
Abattant frein de chute
|
||||
|
Oui
|
Oui
|
Oui
|
Oui
|
Oui
|
|
Abattant déclipsable
|
||||
|
Matière de la cuvette
|
||||
|
Hauteur de la cuvette (en cm)
|
||||
|
Marque du produit
|
||||
|
Type de bâti support
|
||||
|
Famille de couleur
|
||||
Avis
0Ces avis sont authentiques. Seuls les avis ne concernant pas directement le produit, le service ou ne respectant pas les CGU sont rejetés. La modération est supportée à la fois par une technologie d'anti-fraude et par une analyse humaine. En savoir plus
Il n'y a pour l'instant aucun commentaire client.
Questions & réponses
Vous avez une question ? Posez la aux acheteurs et utilisateurs de ce produit, ils ont forcément la réponse que vous cherchez !
Questions
Réponses
-
87 019 007
-
Philippe
Le 26 janv. 2025
Garantie
Bonjour mon battant viens de cassé y'a t'il une garantie merci d'avance Philippe Derat
×Cette question vous a-t-elle été utile ?
87 019 007
-
Franck
Le 13 avr. 2023
Dimension
Bonjour, quel est la taille du bâti en largeur. Merci
×Cette question vous a-t-elle été utile ?